Product Series
推薦產品
河南華東起重機械設備公司
服務熱線:400 086 9590
公司:河南華東起重機械設備有限公司
聯系人:賈經理
聯系電話:13903802779
地址:河南新鄉市封丘縣起重機工業園區
當前位置: 起重機 > 起重機文章
歐式雙梁橋式起重機|歐式雙梁起重機
時間:2024-05-08來源:起重機廠家瀏覽次數:1
歐式雙梁起重機采用計算機有限元優化設計,具有輪壓小,自重輕,凈空低等特點,大大節約廠房投入資金,合理的結構設計,**的保證其具有良好的運行狀態大并把磨損降到很低,減少維護次數及成本。
歐式雙梁橋式起重機產品介紹
歐式雙梁橋式起重機是以固定式電動葫蘆作為起升機構,安裝在集中驅動的雙軌小車上,與雙梁橋架配套使用。主梁采用H型鋼或箱形梁,大小車運行機構采用“三合一”傳動機構組成。葫蘆雙梁穩定性好,自重輕,體積小,結構簡單,安裝使用,維修方便,在空間相同的情況下,較單梁起重機有較高的起升高度,適用于機械加工車間,冶金廠輔助車間,倉庫,料場,電站等的轉運,裝配,檢修和裝卸作業;它也可以代替普通雙梁橋式起重機,用于輕紡工業和食品工業的生產車間。其工作類型為輕級和中級,工作環境溫度為-25℃~40℃,禁止在易燃,腐蝕性介質環境中使用。

歐式雙梁橋式起重機總體結構
歐式雙梁橋式起重機優化設計,自重輕,輪壓小,尺寸小,起重量達到80t,多種模式滿足所有用戶的各種使用,驅動性能優秀,變頻調速,運行平穩。
歐式雙梁橋式起重機總體外形
歐式雙梁橋式起重機外形是雙主梁,焊接箱形,拱度符合國家標準,鋼板材料為Fe37或Fe52 (相近國內鋼材Q235B或Q345B),腹板由40m數控切割整幅下料,確保拱度曲線的光滑成型和精度,主焊縫采用埋弧自動焊,無損探傷,焊后整梁拋丸處理,達到Sa2.5級,消除焊接應力,環氧富鋅漆,兩底兩面,140μ厚,壽命長,外表美觀,光澤好,主梁與端梁采用10.9級高度度螺栓連接,確保整機結構強度和精度,大小車采用三合一驅動機構,變頻無級調速,硬齒面,盤式制動器,大車驅動IP55,F級絕緣,接電持續率達到40% ED,端梁配置平輪或雙輪緣車輪,抗磨軸承,大車緩沖塊,防脫軌端板。
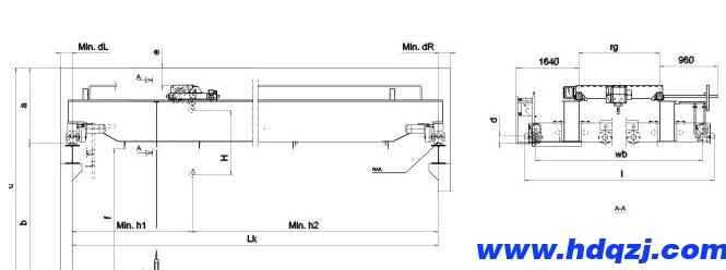
歐式雙梁橋式起重機圖紙參數圖

歐式雙梁橋式起重機電氣
**滑觸線供電,配置缺相保護功能,起升,小車,大車三機構單獨控制,能單獨運行或同時運行,電控箱防腐蝕,控制箱內布局合理,便于維修,防護等級達到IP55,有連接采用重載航空插頭插座, 密封好,接插牢固,小車移動供電系統采用起重機專項使用的PVC扁電纜,耐壓等級達到450/750V,小車移動供電系統由扁電纜,鍍鋅滑軌和電纜小滑車組成,滑動平穩。
歐式雙梁橋式起重機起升機構
歐式雙梁橋式起重機的起升機構,免維護性好。
歐式雙梁橋式起重機**保護裝置
大車,小車三合一電機防墜保護,防止意外掉落,防雨罩:室外起重機配置起升機構,電控箱及驅動機構的防雨罩,可配聲光啟動緊急信號裝置,無線防撞裝置。
歐式雙梁橋式起重機地操控制模式
操作簡便,無需設置專業駕駛員,雙擋按鈕,壽命50萬次,防護等級為IP65。
歐式雙梁橋式起重機遙控控制模式
操作簡便,無需設置專業駕駛員,操作者在地面自由度大,幾萬組頻點,互不干涉,雙擋按鈕或搖桿式操縱桿,壽命50萬,次防護等級為IP65。




















